
|
6 210 руб./шт
+
-
В корзину
|
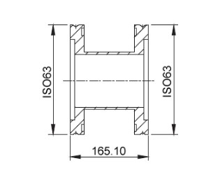
При таком вакуумном соединении также используется центрирующее кольцо (аналогично стандарту KF) на котором посредством прижимного кольца закреплено витоновое уплотнительное кольцо. Для стягивание вакуумного соединения используют специальные струбцины.
Соединения по стандарту ISO, также как и соединения на базе стандарта KF, работают в диапазоне давлений от 1 атм до 1х10-8 торр и выдерживают нагрев до 150°С.
| Цена действительна только для покупателей в нашем интернет-магазине. |