
|
26 300 руб./шт
+
-
В корзину
|
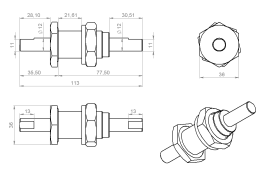
Вакуумные вводы вращения с эластомерным уплотнением предназначены для передачи вращающего момента в вакуумную камеру.
Вакуумный ввод вращения является обязательным и ответственным узлом многих вакуумных систем. Поэтому наша компания уделяет особое внимание качеству поставляемых нами вводов вращения
Технические характеристики:
- Скорость вращения вала до 500 об/мин
- Два стальных подшипника обеспечивают плавное вращение вала
- Уплотнение вала из фторкаучука
- Легкая замена уплотнений
- Рабочая температура до 50 °C
- Температура прогрева до 110 °C
- Диаметр вала 0,25" (6 мм) или 0,5" (12 мм)
- Соединение Baseplate под отверстие 1" (25,4 мм)
-Толщина стенки вакуумной камеры (для установки) до 1,25 " (31,7 мм)
- Материал вала нержавеющая сталь 304
- Материал корпуса алюминий
- Момент инерции 9 кг*мм2
- Максимальный передаваемый момент 16 Н*м
| Цена действительна только для покупателей в нашем интернет-магазине. |