
|
117 400 руб./шт
+
-
В корзину
|
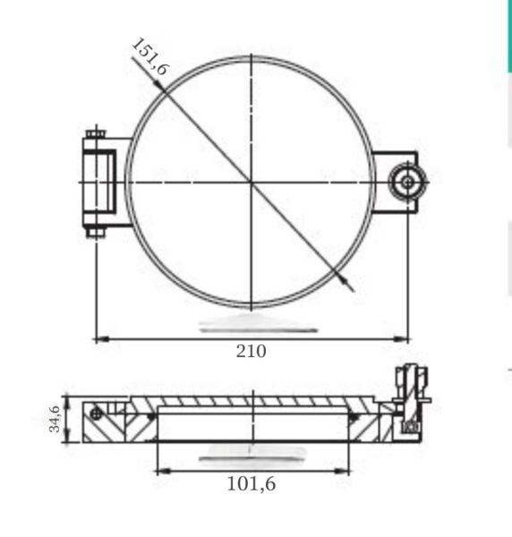
Дверца может крепиться к камере болтами или привариваться, тем самым возможно создание постоянной или временной сборки.

Технические характеристики дверцы быстрого доступа:
| Уплотнение дверцы | FKM (Viton) |
| Монтажное уплотнение | Медный уплотнитель (поставляется отдельно) |
| Рабочий диапазон давлений |
760... 1х10-8 Торр 1000 ... 1х10--8 мбар 100 ... 1х10-7 кПа |
| Герметичность по Гелию |
1 х 10-9 Торр л/с, He 1х10-9 мбар л/с, He 1х10-8 кПа |
| Диапазон температур | -20°С ... 150°С |
| Температура прогрева | 100°С |
| Материал корпуса | Нержавеющая сталь 304/L |
| Материал шарниров | Нержавеющая сталь и медь |
| Материал смотрового окна | Стекло |
| Монтажное положение | 90, 180, 270, 360 градусов |
| Цена действительна только для покупателей в нашем интернет-магазине. |